多相耦合電感器是一項相當具有前景的技術,由於每個耦合相內的電流漣波得以消除,因此可為系統帶來顯著的優勢。而令人意想不到的是,無論是耦合電感還是非耦合電感,多相降壓轉換器的總輸出電流漣波都是相同的。本文重點探討輸出電流漣波的考量因素,以及影響輸出電壓漣波和整體轉換器性能的具體細節。
多相降壓轉換器是廣泛用於具有高輸出電流之降壓型應用的拓撲結構。基於此種電路的電壓調節器可用於伺服器、人工智慧、資料中心、雲端運算、通訊、汽車等領域。
電感中的電流漣波是影響設計方案選擇的重要參數,它會影響效率、輸出電壓漣波、瞬態性能、解決方案尺寸和其他性能指標。本文重點討論這些關於電流漣波的考量因素。
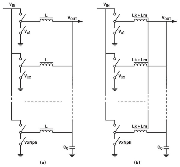
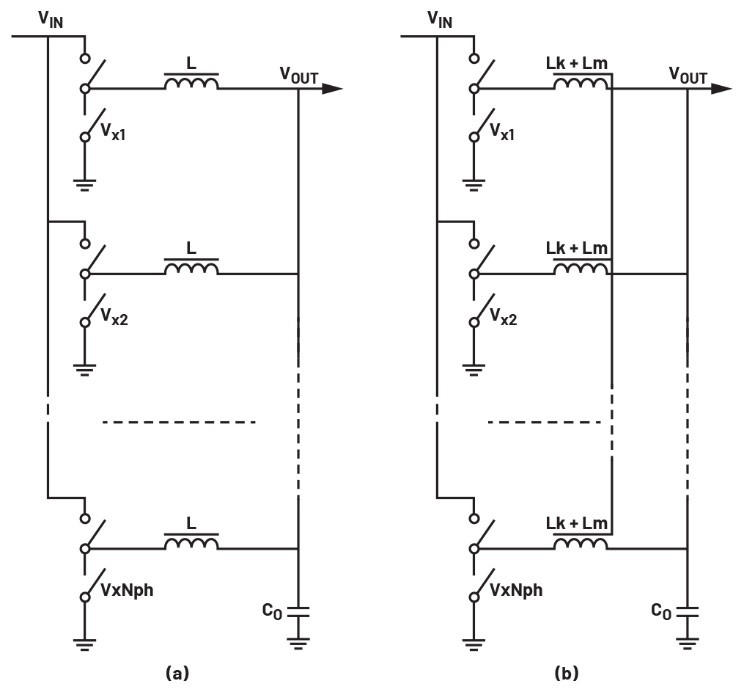
採用分立電感(DL)的傳統多相降壓轉換器如圖1a所示。圖1b顯示了用耦合電感(CL)取代DL的替代方法1-9。為實現波形的良好交錯,確保所有轉換器相位(1至Nph)之間的相移非常重要。這種相移通常可以大幅減少進入輸出電容Co的總輸出電流漣波,進而最大限度地減少輸出電壓漣波。另外,還需要適當的相移才能獲得CL的理想性能。
常規降壓轉換器各相的電流漣波可由公式1求出,其中工作週期D = VOUT/VIN,VOUT為輸出電壓,VIN為輸入電壓,L為電感值,Fs為開關頻率。假設將分立電感替換為具有相同值(L,現為漏感)的耦合電感並增加互感Lm,則CL中的電流漣波可表示為公式26。品質因數(FOM)表示為公式3,其中Nph是耦合相的數量,ρ是耦合係數(公式4),j是定義工作週期適用區間的運行指數(公式5)。

| 圖1 : 多相降壓轉換器,採用(a)分立電感DL和(b)耦合電感CL。 |
|
一般來說,CL展現出更大的FOM6,相較於與DL(公式1),在電流漣波消除(公式2)方面具有明顯優勢。換言之,電感L的相同瞬態性能將導致使用CL時的電流漣波明顯變小,進而有可能降低Fs以實現更高的效率。或者可以降低電感值以獲得更快的瞬態響應和更小的磁性和輸出電容。因此,可以在多個層面利用CL的優勢,例如減小解決方案尺寸或明顯提升效率。
輸出端的總電流漣波
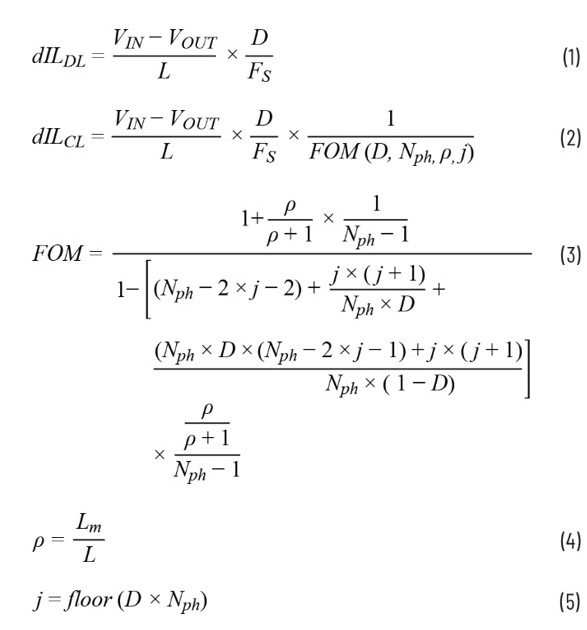
當多個電感電流流入同一網路時,交錯式多相轉換器具有降低總電流漣波的優勢10,11。對於多相降壓轉換器,通常可以減少流入輸出電容(Co)的總交流電(公式6)。降低輸出電容中的交流電通常是有益的,因為如此可以降低輸出電壓漣波並略微提升效率。此外,還可以觀察到輸入電容漣波的改善。然而,本文主要關注電感中的電流漣波及其對輸出的影響。
DL相位的電流漣波(公式1)在D = 0.5時將具有最大幅度。用最差值進行正規化(公式6)可以消除電壓、頻率和電感,並繪製歸一化(相對)總電流漣波曲線,作為工作週期的函數(公式7)。當然,前提是假設所有消除的電路條件保持不變。
多相降壓轉換器中的總歸一化輸出電流漣波用公式7表示,並在圖2中直覺顯示。值得注意的是,當Nph = 1時,等於單相電流漣波,這與預期一致。當更多相(1至Nph)並聯且各相之間的相移為360/Nph度時,通常會產生相應更高的輸出電流和功率。然而,圖2顯示,進入輸出電容的總電流漣波同時急劇下降。這突顯了交錯多相的優勢之一,即可以獲得更好的系統性能,適用於DL和CL配置。雖然非耦合DL和CL各相內的電流波形可能看起來不同,但總電流(多相降壓轉換器中的總輸出電流)呈現相同的波形。事實上,公式6和7對DL和CL降壓轉換器都適用(不同的是CL需要Nph> 1)。
圖3、圖4和圖5顯示了降壓轉換器六個相中的模擬電流漣波,其中VIN = 12 V、VOUT = 1.0 V (D = 0.0833)、L = 50 nH、Fs = 600 kHz。底部的紅色曲線代表輸出端的六相電流漣波。圖3a對應於分立電感的情況Lm = 0 (DL = 50 nH),圖3b引入了較小的Lm = 20 nH (CL = 6× 50 nH)。進一步增加耦合,圖4a的Lm = 50 nH,圖4b的Lm = 200 nH。後者對應於現成的六相耦合電感CL1010V1-6-R050-R:CL = 6×50 nH,Lm = 200 nH。最後,值得注意的是,圖5a和圖5b所描繪的情況其實不切實際,因為分別實現非常大的Lm = 1 μH和Lm = 10 μH異常困難。

| 圖2 : 多相降壓轉換器中的正規化總輸出電流漣波(7)是工作週期D的函數。 |
|

| 圖3 : 6相12 V至1.0 V降壓轉換器的單個電感電流(頂部)和總輸出電流(底部紅色曲線),其中Fs= 600 kHz:(a)分立DL = 50 nH (Lm = 0),(b) CL = 6× 50 nH,且Lm = 20 nH。為了清晰可見,突顯了第一個相位的電流I (L1)。對於任何Lm值,輸出電流漣波均為相同的16.6 A。 |
|

| 圖4 : 6相12 V至1.0 V降壓轉換器的單個電感電流(頂部)和總輸出電流(底部紅色曲線),其中Fs = 600 kHz:(a) CL = 6× 50 nH,Lm = 50 nH,(b) CL = 6× 50 nH,且Lm = 200 nH。為了清楚顯示,此處突顯第一個相位的電流I (L1)。對於任何Lm值,輸出電流漣波均為相同的16.6 A。 |
|

| 圖5 : 6相12 V至1.0 V降壓轉換器的單個電感電流(頂部)和總輸出電流(底部紅色曲線),其中Fs = 600 kHz:(a) CL = 6× 50 nH,Lm = 1 μH,(b) CL = 6× 50 nH,且Lm = 10 μH。為了清楚顯示,此處突顯了第一個相位的電流I (L1)。對於任何Lm值,輸出電流漣波均為相同的16.6 A。 |
|
在CL中,電流漣波消除所帶來的優勢顯而易見。隨著互感的增加,每相的漣波電流急劇減小,直至達到「效益遞減」,此時Lm的進一步增加會使電流漣波以越來越小的速率降低。設計過大的Lm時,例如圖5中的1 μH或10 μH,也會明顯影響CL尺寸,並且很可能影響DCR,因此繪製這些情況主要目的是顯示電流漣波趨勢。
比較DL = 50 nH(圖3a)和CL = 6× 50 nH與Lm = 200 nH(圖4a)之間的相位電流幅度,可發現電流漣波明顯減少為約四分之一(從30.63 A降至7.7 A)。不過,請注意,這表示所有相位的總輸出電流漣波的底部紅色曲線對於任何Lm值(包括圖3a中的Lm = 0)都保持不變,即使相位電流波形非常不同。
圖3至圖5中模擬漣波波形的峰對峰值幅度與圖6中繪製的計算電流漣波(1)、(2)和(6)一致。對於給定的條件VIN = 12 V、Nph = 6和Fs= 600 kHz,無論Lm值為何,所有六個相位的總輸出電流漣波都保持不變,並且當VOUT= 1.0 V時,等於16.6 A。理解這一現象的一種方法是認識到隨著Lm值的增加,電流漣波會減小,進而導致相位電流變得更加相似。因此,它們的峰值實際上加起來等於輸出。可以大致認為,耦合將相位漣波降低了約Nph倍,但隨後Nph個相似的漣波峰值在輸出端相加,進而產生相同的總輸出電流漣波。這在圖5中尤為明顯,其中顯示了Lm非常大的波形。可以觀察到,對於相同的電感值,交錯相位的總電流漣波消除保持一致。然而,這種消除發生的方式是有區別的。如果是DL,主要發生在輸出網路中。另一方面,耦合電感的存在允許很大一部分交錯和漣波消除向上游傳播到每個單獨的相位電流中。

| 圖6 : 計算六相VIN = 12 V降壓(Fs= 600 kHz)的電流漣波與VOUT的關係,使用50 nH的電感和不同的Lm值。總輸出電流漣波顯示為綠色,所有Lm值均相同。 |
|
請注意,圖6中的所有曲線都對應於相同的最大電流擺率限制(因此也是瞬態的),由每個相位的50 nH電感值定義。
輸出電壓漣波
對輸出電壓漣波的簡單理解是,假設總輸出電流漣波通過輸出電容組的有效等效串聯電阻(ESR),導致成正比的壓降。該壓降表現為轉換器輸出端的穩態電壓波形。更詳細的分析需要考慮每個輸出電容中的實際電容以及電容寄生和佈局寄生。
然而,一般預期是輸出端的總電流漣波越高,輸出電壓漣波就越高。這可能會成為CL的限制因素。圖3至圖5顯示了同類條件下的相位電流漣波比較,顯示相同電感值具有相同的總輸出電流漣波。
然而,在實際應用中,圖3a所示的30.6 A的DL漣波可能超出每相30 A至50 A負載電流的典型目標範圍。在如此情況下,Fs會更高或DL值會增加。為了利用CL的優勢,通常需要在DL和CL設計之間保持相當(且可接受)的相位電流漣波。CL的優勢體現在明顯更低的Fs,可實現更高的效率,或體現在更小的電感值,有利於加快瞬態響應並減小輸出電容的尺寸。這表示雖然DL和CL之間的相內電流漣波相當,但CL解決方案的總輸出電流漣波可能更高。
然而,有幾個因素需要考慮。典型的多相解決方案通常將功率級按順序排列,然後是電感和輸出電容。此類佈局在使用CL時同樣適用。因此,VOUT網路不是模擬中的單個連接點,而是相位電流以不同距離注入的分散式網路。電容也沿著這一排VOUT電感引線分佈,並且在其內部和之間有相關的寄生效應。佈局和輸出電容中的寄生分散式網路可以更快速、有效地濾除遠距離相位的波形。因此,單個電容從附近的VOUT電感接腳傳導的電流漣波比從較遠的接腳傳導的電流漣波還多。由於陶瓷電容通常在1 MHz至2 MHz以上具有最小阻抗,因此相較於每個開關週期具有多個電流峰值的波形(例如CL;圖4b),主Fs < 1 MHz的諧波(DL,圖3a)衰減的更少。此外,考慮到輸出電容的ESL和ESR產生的極點以及佈局寄生,預計具有較高頻率內容的波形的衰減也會更大。
另一個因素是,儘管CL的總輸出電流漣波在數學上可能大於DL的電流漣波,但局部相位電流相當,實際上CL相位波紋電流的幅度通常會小一些。CL可有效地將輸出VOUT網路(如果是DL)的電流漣波消除提升到每個開關相位。
圖7顯示了多相降壓轉換器的典型元件位置和佈局,其中輸出電壓軌提供給某些CPU或GPU負載(大矩形輪廓所示為插座區域)。輸出電容陣列位於指定的負載區域下方。

| 圖7 : 採用多相降壓的電路板佈局。六個分立電感有負載。 |
|
圖8顯示了以下條件下圖7中負載插座中間電壓感應點的VOUT電壓漣波:VIN = 12V,VOUT = 1V,Fs= 600kHz。最初,DL = 100 nH載入到電壓調節器的六個相位中,導致最大電壓漣波為10.11 mV(圖8a)。放置CL = 6× 100 nH會導致測量值略有改善,最大為10.05 mV(圖8b)。然後,為改善瞬態響應,將CL = 6× 50 nH載入到電感位置,結果僅發現漣波略有增加,為14.91 mV(圖8c)。這是一個可以忽略不計的增加,特別是考慮到最小輸出電容的典型限制因素是快速瞬態條件,而不是VOUT漣波。

| 圖8 : CPU插座中VOUT感測端的6相降壓(12 V至1 V,600 kHz)的VOUT漣波:(a) DL = 100 nH,最大值10.11 mV,(b) CL = 6× 100 nH,最大值10.05 mV,(c) CL = 6× 50 nH,最大值14.91 mV。 |
|
CL = 6× 50 nH的相位電流漣波僅為7.7 A,如圖4b或圖6所示。透過將值增加到DL = 100 nH來降低DL = 50 nH時的30.6 A高電流漣波,會導致按比例減少到15.3 A,這是一種改善(但瞬態響應會受影響)。然而,它仍然是CL = 6× 50 nH漣波的兩倍。因此,選擇DL = 100 nH仍會影響效率。
瞬態性能
由於6相CL = 6× 50 nH在電流漣波方面比具有相似瞬態性能的DL = 50 nH有著很大優勢,因此分立電感的值增加到DL = 100 nH,至少一定程度上可以降低與CL = 6× 50 nH的漣波差異。圖9比較了產生的瞬態響應。
測量是在相同的條件下進行的:VIN = 12 V、VOUT = 1 V、Fs= 600 kHz。為了展示輸出電壓的欠沖和過沖,負載線設定更改為較小的壓降0.132 mΩ。展示電壓過沖的方法比移除一些輸出電容的方法更簡單。正如預期,當VOUT較低時(例如,VOUT< VIN/2),輸出電壓的峰對峰值瞬態性能主要受過沖影響。
對於240 A(每相40 A)的負載階躍,輸出電壓峰對峰值為dVOUT = 81.2 mV (CL = 6× 50 nH)(圖9a),dVOUT= 153.3 mV (DL = 100 nH)(圖9b)。注意圖9中波形頂部的PWM訊號:即使反饋迴路不是暫態的,但過沖現象與PWM脈衝的完全缺失相對應。這表示所有相位都被拉低而沒有發生任何開關事件,並且瞬態性能僅受電感本身的電流擺率的限制。因此,CL = 6× 50 nH和DL = 100 nH之間測得的輸出電壓峰對峰值才有約2倍的差異。

| 圖9 : 6相降壓轉換器的瞬態性能,其中VIN = 12 V、VOUT = 1 V、Fs= 600 kHz,負載階躍為240 A:(a) CL = 6×50 nH,(b) DL = 100 nH。相同的電路板、相同的輸出電容和相同的負載線設定降低至0.132 mΩ。 |
|
從圖9的波形可見,VOUT漣波不是問題所在,因為劇烈的瞬態擺幅是影響輸出電壓峰對峰值的主要原因。最小輸出電容取決於瞬態規範,而不是VOUT漣波。
在實際應用中,與CL = 6× 50 nH相比,較慢的DL = 100 nH將需要接近2倍的輸出電容才能滿足相同的VOUT峰對峰值瞬態規範。同時,如果使用相同的開關頻率,DL = 100 nH仍將具有2倍大的電流漣波。這可能會因兩個原因而影響效率:其一是由於較大的電流漣波導致整個電路的電流波形的rms增加以及DL中的交流損耗增加,或是由於需要更高的開關頻率來減少漣波,進而導致開關損耗相應增加。
結論
相較於傳統方法,耦合電感技術可實現多種系統優勢,並且這些優勢可針對許多不同的優先順序和應用進行優化。然而,一個有趣但違反直覺的事實是,對於具有相同電感值的分立電感和耦合電感,多相降壓轉換器的總電流漣波是相同的。
利用CL的優勢時,通常會使總輸出電流漣波增加,但會減少每個相位的電流漣波。然而,這種潛在的問題通常可以透過一些方法因應,例如透過CL有效地將相位交錯從轉換器輸出上游拉到每個相位,以及透過分散式Co槽的濾波特性。換言之,即使是有意增加基於CL的解決方案的總輸出電流漣波,相較於DL,其也更能分散在不同相位的物理隔離的VOUT引線之間。
此外,CL的各個相位電流通常具有較高的頻率分量和較低的峰對峰值,因此它們通常在輸出電容和佈局寄生的分散式網路中進行更好的濾波。當利用CL優勢實現更好的瞬態響應或效率時,這通常會導致VOUT漣波略微增加。
在許多多相應用中,輸出電容的最小值通常取決於又快又大的瞬態階躍規範,而不是出於對VOUT漣波的考慮。這使得關於總電流漣波的考量變得更不重要。隨著相數(Nph)的增加以滿足更大的負載電流規範,需要注意的一個整體趨勢是:瞬態階躍預計會隨著Nph成比例成長,進而導致所需最小輸出電容成比例增加。然而,隨著並聯交錯相位的增加,輸出端的總電流漣波明顯減小。DL和CL均是如此,因此關於輸出電壓漣波的考量也變得不那麼重要。
由於CL解決方案通常與更快的瞬態和/或更高的效率相關,因此總輸出電流漣波的潛在增加通常不是一個重要的設計因素。然而,在具有緩慢瞬態響應和低Nph的應用中,檢查VOUT漣波性能是一種很好的做法,因為在這類應用中,VOUT漣波是決定所需最小輸出電容的主要因素,而不是瞬態響應。
(本文作者Alexandr Ikriannikov為ADI院士)