帳號:
密碼:
最新動態
產業快訊
CTIMES / 文章 /
以儀錶級精準度的系統監視器測量相對濕度
 

【作者: Leo Chen】   2013年04月30日 星期二

瀏覽人次:【18337】

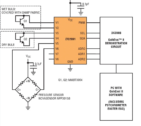
溫度是最常被測量的物理參數,而且感測器選擇隨著準確度要求、耐用性、成本以及與所測量介質相容性的不同而不同。價格便宜的 NPN 電晶體非常適用於要求一次性感測器或那些需要大量感測器的應用。在用於系統監視器應用時,LTC2991這類監控元件可用來測量大型電路板上的電源電壓、電流和溫度。當用價值一美分的 MMBT3904 電晶體作為溫度感測器時,該元件還能提供 ±1°C 的準確度,從而使其非常適用於多種儀錶應用。


乾濕計:它並不像名字那麼高深嚇人

乾濕計 (Psychrometer)是一類濕度表,是一種測量相對濕度的裝置。乾濕計採用兩個溫度計,一個乾 (乾球),而另一個則用浸透蒸餾水的布覆蓋溫度計 (濕球)。可用風扇或者靠擺動乾濕計 (如同“懸掛式濕度計”一樣) 使空氣經過兩個溫度計。然後,根據乾球和濕球溫度,用配有濕度計算圖的查閱資料表計算濕度。或者,也有一些方程可用來計算濕度。以下方程就可用來測試該電路。
...
...

使用者別 新聞閱讀限制 文章閱讀限制 出版品優惠
一般使用者 10則/每30天 0則/每30天 付費下載
VIP會員 無限制 25則/每30天 付費下載

相關文章
聚焦工業與網通 以生態系統觀點布局市場
貿澤即刻供應Analog Devices的Linear Technology產品
大電流轉換器
創新能量採集技術
適用於高功率密度系統的大電流轉換器
相關討論
  相關新聞
» 恩智浦Omlox Starter Kit方案 推動工業實時定位技術發展
» AI算力需求作後盾 2025年前十大IC設計廠營收年增44%
» 恩智浦與NVIDIA攜手合作 共同推動先進實體AI創新發展
» 代理型AI框架加速落地 強化安全、實時邊緣AI應用
» 產發署核定「晶創IC設計補助計畫」28案 將創造360億商機


刊登廣告 新聞信箱 讀者信箱 著作權聲明 隱私權聲明 本站介紹

Copyright ©1999-2026 遠播資訊股份有限公司版權所有 Powered by O3  v3.20.1.HKA49B6OIL0STACUK9
地址:台北數位產業園區(digiBlock Taipei) 103台北市大同區承德路三段287-2號A棟204室
電話 (02)2585-5526 #0 轉接至總機 /  E-Mail: webmaster@ctimes.com.tw