前言
創作動機
因為科技的進步,人們的生活也跟著改變,安全變成人們最重視的課題,其中,跟人類最有相關的安全莫過於「鎖」。鎖的演進, 從以前的機械鎖到現在的電子鎖,其安全性也一直在提升。傳統機械鎖容易被技術開啟,為了增加安全性因此慢慢的被電子鎖取代。隨著電子技術的發展與科技的進步,電子鎖的便利性、防止技術開啟功能及智能管理功能等都是機械鎖無法比較的。
台灣近幾年工業技術發達,人口密度在各大都會區都相當密集,台灣也是亞洲機車數量最密集的一個國家,根據交通部公路總局統計資料顯示2011年5月全台汽機車數量為14,962,808輛。在台灣平均每1.5個人就有一輛機車,但是機車失竊率相對非常高,根據報導,光新北市近三年總計兩萬零九百一十五輛機車失竊,平均每天遭竊十一點五輛。
日前市議員王鴻薇指出,機車竊盜案犯罪手法以「萬能鑰匙破壞」最多,希望警方有所作為。台北市議員王鴻薇接獲市民陳情,指一周前將機車停放在延吉街與忠孝東路4段交叉口附近,在東區逛街後欲騎車回家時,發現機車鎖頭被破壞變形,王鴻薇要求警方重視機車失竊問題,提出具體作為。市警局統計,市內近3年機車失竊案件數總計高達2萬915件。
創新貢獻與創作目的
由上述新聞報導的敘述中,我們可以發現機車在失竊案中,大部份小偷在偷竊機車的過程中都是以機車的「鎖頭」及「電路」為下手的重點,因為在市面上已有許多業者設計了許多方便的電子式機車鎖頭,電子鎖的種類更是不勝枚舉,在國內的研究中,有像是省電型的RFID 鎖之製作與應用,主要是利用RFID 系統來設計機車電門系統,可解決一般傳統式的機械鎖的問題(如破壞鎖頭),同時也利用無線通訊的方式解除以往電子鎖繁雜的佈線問題,但其在曝露於公共空間的訊號並無特殊的防護機制。然而,一般電子鎖,諸如磁卡鎖、晶片鎖或無線鎖等,皆面臨被高科技設備以掃頻的方式給破解等問題。具體而言,由於電子鎖皆採用數位訊號或線性的類比訊號以作為鑰體與鎖體的比對依據;因此,當有心人士透過掃頻設備找出適當的頻段以後,即可用電腦快速運算的方式,以試誤方法破解之,為了解決改善上述問題,本作品利用混沌電路產生隨機之訊號及動態密碼之設計,解決傳統電子鎖中密碼易被暴力破解的問題,混沌是一種非線性系統,此系統具有訊號隨機不可預測之特性,以及混亂隨機的狀態響應與對初始值相當敏感的蝴蝶效應。
另外,為避免以動態密碼基礎之新型機車保全系統的鎖頭保全性過於高強,有心人士一不做二不休直接將貴重的機車已搬運的方式把車子竊走,我們也在作品中加裝了一個三軸加速度感應器,當機車駕駛人不在附近的時候,機車遭有心人士惡意的碰撞與搬運,這時三軸加速度感應器會觸發並透過傳送簡訊的方式在第一時間通知駕駛人機車遭竊,我們也根據竊盜案中常見的歹徒將機車後座的置物箱打開並竊取裡面的財物,設計出一樣利用混沌電路產生隨機之訊號及動態密碼之設計來開啟機車車廂同時也附加一項功能,就是車駕駛人不在附近的時候,機車的後車箱遭到歹徒惡意開啟,感應器觸發後一樣會透過GSM傳送簡訊到使用者的手機裡達到警告的功能。
為有效解決上述問題,我們設計出以動態密碼為基礎之新型機車保全系統,為了改善上述傳統電子鎖及機車防盜性之缺點,本作品利用混沌系統來提高其安全性與隨機性,並設計動態密碼增加密碼的動態性、隨機性,因此設計此電子鎖,將帶給人們有一個安全的生活環境。以下是本作品主要功能。
動態密碼OTP (One Time Password),就是一次性密碼,採用混沌電路隨機特性及動態編碼方式,產生動態密碼。
˙機車車廂防盜--運用動態密碼電子鎖將車廂鎖定,以防小偷運用萬用鑰匙將車廂打開
˙安全帽鎖扣提醒--如駕駛人未將安全帽扣子扣上,語音IC將撥出語音做出提醒,同時啟動機車斷電系統
˙機車防盜--感應三軸加速度感測器的水平值是否出現變化,若變化太多則表示機車被竊盜,立即發送簡訊給車主
˙緊急通知--GSM晶片在收到三軸感應器的訊號時會發送簡訊通知車主
工作原理
以往傳統的機車電子鎖具常用固定密碼或其加密方式亦為大家熟悉之方法,雖方便,但相對被破解的可能性較高,且在無線的鎖具上,解鎖訊號暴露於公共空間中,亦容易被截取,若未進行特殊編碼加密,亦可能影響其安全,本設計以非線性混沌電路為主,設計並實現混沌電路,使其可產生隨機之混沌訊號,做為密碼之用,並設計動態密碼之編解碼及動態更新機制,以確保安全性,再藉由微控制系統,設計韌體程式,以實現編解碼之實現規劃出電子鎖之安全編碼和動態密碼之設計,配合微控制器HT66F50建構出完整的控制平台,讓電子鎖的控制和應用更為簡易。
同時整合了無線傳輸系統,讓使用者透過智慧型手機APP程式,即可建立一個安全並具有發送加密訊號功能的手機程式,同時可自訂密碼,讓安全性更具彈性,提高其安全性。
混沌電路之設計與實現
混沌系統是一個極為複雜的動態非線性系統,具有相當寬廣的Fourier 頻譜、白色雜訊及寬廣頻譜的特性,且混沌系統對初始值相當敏感,故具有軌跡不可預測性,亦即蝴蝶效應。根據文獻上記載之混沌系統種類非常多,其中較著名的混沌系統有Chua、Rossler、Sprott 及Unified chaotic systems 等,其中Sprott結構簡單,實現容易,因此本專題選擇以Sprott 混沌系統做為本研究之混沌系統。
Sprott混沌系統主要是以一個三階微分方程式為基底的動態非線性系統,其原始微分方程式如下:
x+ax+x=G(x)
其中G(x)為片段線性方程式,分別令:
X1=x,x2=x,x3=x
G(x)=1.2x+2sign(x)
a=0.6
經過移項後即可得到下列微分方程組
X3=-1.2x1-x2-0.6x3+2sign(x1)
為了進一步了解此系統的動態響應具有混沌現象,利用Matlab 軟體來模擬此方程式的狀態響應,除此外,我們亦實際應用運算放大器等基本電子元件,實現其電路。其模擬圖與實際量測圖分別如圖一至圖三所示:

| 圖三 : :Sprott系統X1-X3相位實際量測圖 |
|
動態密碼之編解碼及動態更新機制
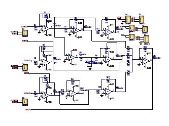
為確保系統之安全性,我們利用混沌系統狀態響應具隨機以及對初始值敏感的特性,提出動態隨機密碼的概念,進一步設計出無線動態密碼更新裝置,為詳細說明本電路裝置之設計,特舉上述之混沌電路-Sprott系統加以說明但其應用適用於任何混沌系統,首先,本作品如圖四所示包含有:
一組傳送端與一組接收端,在傳送端部分裡面區分為五個模組。
(1)混沌模組:該模組作用主要產生一組隨機的類比訊號,該模組主要是利用運算放大器、電組及電容等元件所組成。
(2)類比轉數位模組:該模組主要利用混沌模組所產生之隨機波形,將期由類比隨機訊號轉換為數位隨機訊號。
(3)資料庫模組:內有欲傳送之訊號。
(4)編碼模組:該模組主要產生一組編碼密碼,此為第一組密碼並與數位隨機訊號和欲傳遞之資料訊息進行編碼。
(5)無線傳輸模組:將上述(4)所混合產生之訊息編碼經由無線傳輸模組發送該訊號。
傳送端經由上述步驟將訊號經由無線傳輸模組發送後同時編碼模組會以新的數位。隨機訊號來取代第一組密碼來作為新的編碼密碼。
另外,在接收端部分分為兩個模組。
(1)無線接收模組:此無線接收模組用來接收傳送端傳送之訊號。
(2)解碼模組:在此模組裡設有一組解碼密碼,該解碼密碼初始值為第一密碼,解碼模組則利用該解碼密碼將接收訊號進行還原動作,進而還原該隨機數位訊號以及傳遞之資料訊息,此時解碼模組就以該還原之隨機數位訊號來取代第一密碼成為新的解碼密碼。
總結上述,發送與接收端之編碼密碼及解碼密碼為相互對應,一開始先由使用者輸入第一密碼,經由一輪動作後,在藉由混沌隨機產生之訊號進行類比訊號轉為數位訊號,再將之覆蓋上第一密碼並分別輸入至編碼模組與解碼模組中。如此一來密碼就會隨著時間與混沌之特性隨意改變。
(3) 微控制器端韌體程式之設計:在微控制器中進行程式寫作,實現編解碼機制,並透過無線傳輸完成和鑰匙端(智慧型手機)訊號的連繫,建立安全並能夠有發送加密訊號功能的手機程式。此部分所寫之程式碼是為了讓單晶片(擬使用國內生產之晶片,未來量產可間接促進國內相關產業發展),可以對收至手機端訊號進行動態密碼的更新及編解碼,並控制繼電器讓繼電器能夠控制電子鎖,此外,在我們的構想中,建立一個安全並能夠有發送加密訊號功能的手機程式,於是我們初步擬在APP Inventor 中撰寫程式,功能上有兩個功能鍵分別是裝置選擇與連線兩個按鈕,而在安全的考量下,我們甚至做了一個圖形解鎖介面的功能,如圖六所示。

| 圖六 : :APP Inventor 程式開發介面 |
|
(4) 研究成果及專利
本作品是由我們團隊共同製作,使其完成以動態密碼基礎之新型機車保全系統,應用於降低機車的失竊率,為完成此作品,我們也提出相關之專利佈局及申請說明如下。
(5) 相關專利申請
名稱:具動態密碼之無線安全通訊裝置
發明人:顏錦柱等4人
專利證書字號:M378579
申請人: 樹德科技大學高雄縣燕巢鄉橫山路59號
申請範圍如下:
本創作係為一種具動態密碼之無線安全通訊裝置,其系統包含有一發射端及一接收端,該發射端內建設有包含一混沌模組、一類比轉數位模組、一編碼模組、一無線 傳輸模組,該接收端內建設有包含一無線接收模組及一解碼模組,其中該混沌模組用以產生隨機動態編碼密碼,使該發射端及該接收端具有密碼同步更新之功能,藉 由該編碼密碼隨機且無法被預測之功能,使該發射端開始執行時,沒有取得其編碼密碼,則在之後所取得之發送訊號皆無法被正確解碼,可保護其傳輸的資料。 【創作特點】 爰此,有鑑於習知技術的缺失,故本創作提供一種具動態密碼之無線安全通訊裝置,包含有一發射端,該發射端內建設有一混沌模組、一類比轉數位模組、一無線傳 輸模組及一編碼模組,該編碼模組內設有一編碼密碼,該編碼密碼初始值係為第一密碼,該混沌模組產生一隨機類比訊號,而該類比轉數位模組將該隨機類比訊號轉 換為一隨機數位訊號,該編碼模組則利用該編碼密碼將該隨機數位訊號編碼,產生一發送訊號,並由該無線傳輸模組傳輸該發送訊號,同時該編碼模組並以該隨機數 位訊號取代該第一密碼成為新的編碼密碼;一接收端,該接收端內建設有一無線接收模組、一解碼模組,該解碼模組內設有一解碼密碼,該解碼密碼初始值亦係為第 一密碼,該無線接收模組接收該發送訊號,該解碼模組則利用該第一密碼將該發送訊號解碼,進而還原該隨機數位訊號,該解碼模組並以該隨機數位訊號取代該第一 密碼成為新的解碼密碼;藉由該發射端之編碼密碼及該接收端之解碼密碼皆會被該混沌模組產生之隨機數位訊號覆蓋成為新的編碼密碼及解碼密碼,讓每次的編碼密 碼及解碼密碼皆對應且不相同。
上述之發送端進一步具有一資料庫模組,該資料庫模組具有一資料訊息,該編碼模組利用該編碼密碼將該資料訊息編碼,而該解碼模組之解碼密碼將該資料訊息解碼,進而還原該資料訊息。上述之編碼密碼與該解碼密碼相同。上述之第一密碼係分別預設輸入至編碼模組及解碼模組內。本創作利用混沌模組產生之隨機動態密碼使發射端與接收端之編碼密碼及解碼密碼可即時同步進行更新,具有提昇資料傳輸的安全性。
測試說明
(1)機車動態密碼鎖
本作品利用混沌系統之特性隨機及寬廣的訊號特性,並使用動態密碼之編解碼及動態更新機制,並透過無線傳輸與智慧型手機號的連結,建立一個簡單安全並既有發送加密訊號功能的機車動態密碼鎖。
(2)車廂密碼鎖
利用動態密碼鎖更安全的保護,來降低車廂被開啟及車廂內物品遭到偷取,當車廂並非使用正常之開啟方法,將啟動防盜警示聲響,及時傳送訊息給與車主。
(3)安全帽鎖扣提醒
安全帽鎖扣用來防止駕駛人忘記扣上安全帽,當安全帽為扣上時,安全帽上之藍芽傳輸器,將傳送訊號致機車上藍芽接收器,此時機車上之主控台將會啟動機車斷電系統,同時也傳送訊號至安全帽上之語音IC,發出聲音警告駕駛人,當駕駛人將安全帽鎖扣扣上時,機車主控台將會關掉機車斷電系統。
(4)防盜警示
當機車之動態密碼鎖未解開時,便會啟動震動感應器,而震動感應器感應到震動時,就會傳送訊息至車主手機。
其他延伸應用
本作品一樣能使用於家中大門及鐵門亦或者是所有需要鎖具或者是保密性之電子產品。達成手機配合動態密碼鎖達成整合家中所有產品的開啟及應用,將本產品運用於家中門鎖上,以相同道理將動態密碼用家中門鎖,只要運用手機之程式,即可解開家門上之動態密碼鎖。
(本文作者顏錦柱為樹德科技大學電腦與通訊系教授;簡品晟、陳晉緯、曾譽升、許祐禎為樹德科技大學電腦與通訊系研究生)
參考資料
[1]蘋果日報-汽機車失竊率;萬華居冠http://www.appledaily.com.tw/appledaily/article/headline/20120514/34226635/
[2]專利檢索,「M378579具動態密碼之無線安全通訊裝置」,2010/04/11。
http://twpat-simple.tipo.gov.tw/tipotwoc/tipotwkm?@@1965641008
[3]HT66Fxx Flash MCU原理與實務-組合語言篇;全華出版
[4]盛群官網-技術支援
http://www.holtek.com.tw/chinese/tech
/tech.htm