轉換至更多綠氫可預期減少溫室氣體量。若要以水力、風力、太陽能等再生能源發電來電解水,無論是在本地發電或透過電網傳輸,都必須先以高效率轉換為直流電(DC)。系統設計人員面臨的挑戰在於如何提供高且穩定的直流位準、低諧波失真、高電流密度和良好的功率因數(PF)。
本文探討綠氫的原理,並且介紹 Infineon Technologies 的功率組件,展示如何運用,將環保能源的輸入轉換為具有產生綠氫所需特性的穩定電力輸出。
電解水製氫
將水電解,可從中分離出氫。此過程的副產品是氧。電解過程需要使用穩定、高位準的直流電。此過程在電解池或電解槽中反應;電解池或電解槽會包含進行電化學反應的陽極(正極)和陰極(負極)。液態或固態電解質包圍電極並在電極之間傳導離子。依據所採用的化學反應,可能需要加上催化劑以提高反應速率。此電解池由穩定的高位準直流電源或電源供電(圖一)。

| 圖一 : 基本電解池分離出水中的氫和氧(source:Art Pini) |
|
此電解池還包括一個分離器(圖中未顯示),以防止電極處產生的氫和氧混合。
此反應需要高位準的直流電。在沒有能量損失的理想條件下,至少需要32.9 kWh的電能才能電解足夠的水分子以產生1 kg的氫。這會根據所採用的電解過程,因其效率不同而異。
目前有三種不同的過程:鹼性電解(AEL)、質子交換膜(PEM)、固態氧化物電解。
‧ 鹼性電解(AEL):電解槽技術最成熟,在金屬電極之間使用鹼性溶液(如氫氧化鉀)。其效率低於其他類型的電解槽。
‧ 質子交換膜(PEM):電解槽使用固態聚合物電解質,並以貴金屬催化劑強化。其特性是更高效率、更快反應時間和緊湊的設計。
‧ 固態氧化物電解電池(SOEC):使用固態陶瓷材料作為電解質。具有高效率,但需要高工作溫度。其反應時間比PEM電解槽慢。
圖二為三種技術的特性比較。

| 圖二 : AEL、PEM、SOEC特性的比較,凸顯了新型電解槽在效率的提升。(source:Infineon Technologies) |
|
目前綠氫的生產成本比從石化燃料生產氫的成本更高。透過提高離散組件(包括電解槽和電力系統)的效率,以及擴大轉換廠房的規模,可以扭轉這一局面。
電網和綠色電源的電力系統配置
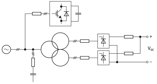
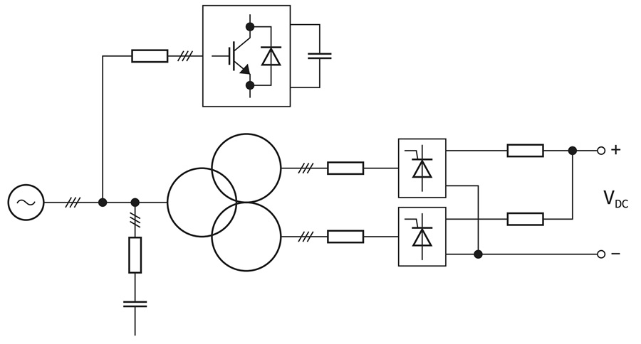
目前大多數製氫廠房都離網運作。電解槽的電源是交流至直流整流器,由線路變壓器供電。由電網供電的電解廠必須滿足所有電網標準和規範,例如達到一致的PF並保持低諧波失真。綠色能源在執行氫分離過程時,需不同的電力系統(圖三)。

| 圖三 : 電解廠必須將電源電力轉換為電解槽所需的直流電(source:Infineon Technologies) |
|
風力電源是交流電源,與電網相同,若要為電解槽供電,需加上整流器以便將交流電轉換為直流電。太陽能和使用電池的混合能源依靠DC/DC轉換器,控制驅動電解池的直流電位。不論電源為何,電解池也可以採用本地DC/DC轉換器。電解池代表恆定的直流負載。由於需考量電解槽內老化的情形,施加的電壓需在電池的使用期間增加,電源轉換系統(PCS)要能適應此過程。電源轉換系統無論是搭配交流電源還是直流電源,都有一些共通規格。
其輸出電壓需在DC 至1,500 VDC範圍內。鹼性電池的最大電壓約為800 V。PEM電池受限較少,目前朝向高電壓範圍發展,以降低損耗及成本。輸出功率範圍可為20 kW至30 MW。PCS的電流漣波應小於5%,此規格對電池壽命和效率的影響仍在研究中。電網電源的PCS整流器設計必須符合電力公司的大負載和PF要求(尤其針對較高功率負載)。
交流電源的電力轉換
交流供電的製氫廠房需要的整流器,需可以直接驅動電解池或驅動連接到多個電解池的直流電網。
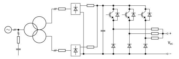
常會選用多脈衝整流器(圖四)。此整流器設計基於閘流管,可靠且具有高效率,能支援高電流密度,並使用低成本半導體。

| 圖四 : 基於閘流管的多脈衝整流器可靠且具有高效率,能支援高電流密度並使用低成本半導體。所示為12脈衝實作。(source:Infineon Technologies) |
|
基於閘流管的多脈衝轉換器是一項成熟且眾所周知的技術。圖四所示為12脈衝閘流管整流器,由具有兩個低壓二次側繞組的星形-三角形-星形電力頻率變壓器組成。二次側繞組驅動兩個六脈衝閘流管整流器,輸出以並聯連接。如果此整流器直接驅動電解槽,則閘流管觸發角會控制輸出電壓以及流入的電流。觸發角還可在面臨電解槽電池老化以及電池堆所需的電壓增加下,用於維持系統中的電流。變壓器也可能包含有載分接頭切換器 (OLTC)。OLTC在多個接入點之間切換或在其中一個繞組上進行分接,升高或降低供應至整流器的電壓,藉此改變變壓器匝數比。
Infineon Technologies為PCS設計人員提供豐富的半導體組件品項。閘流管整流器常用於這些交流電源應用。以T3800N18TOFVTXPSA1為例,這是一款採用底盤安裝TO-200AE 圓盤封裝的離散式閘流管,額定可在5970 Arms 導通電流下處理1800 V電壓。圓盤封裝具有雙側冷卻設計,可達到更高的功率密度。
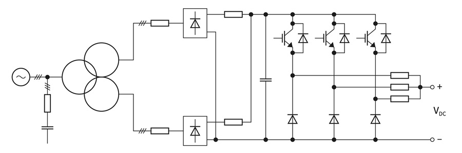
在整流器輸出側添加降壓轉換器作為後置整流截波器,可以改善基本整流器設計。增加截波級,則可透過調整截波器的工作週期而非閘流管的觸發角,增加對反應過程的控制(圖 五)。如此可減少閘流管所需的動態範圍,進而最佳化製程。

| 圖五 : 後置整流截波器可減少電流失真並提高PF(source:Infineon Technologies) |
|
使用絕緣閘雙極電晶體(IGBT)的後置整流截波器便無須使用OLTC變壓器,並且可以減少電流失真及提高PF。
Infineon Technologies的 FD450R12KE4PHOSA1 IGBT截波器模組專為這些應用所設計。其額定最大電壓為1200 V,最大集極電流為450 A,採用標準62 mm C系列模組。
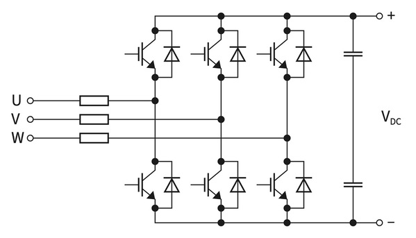
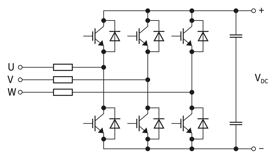
更進階的整流器電路包括IGBT架構的主動整流器。主動整流器以IGBT取代二極體或閘流管,控制器會透過閘極驅動器在適當的時間開啟和關閉(圖六)。

| 圖六 : 主動整流器以 IGBT 取代整流電路中的二極體或閘流管,並由閘極驅動器控制器開關。(source:Infineon Technologies) |
|
傳統整流器會產生非正弦線路電流,主動整流器與之不同,其具有與IGBT串聯的電感,可保持線路電流為正弦波並減少諧波。IGBT導通時的阻抗非常低,相較於標準整流器,可減少導通損耗並提高效率。主動整流器控制器可維持一致的PF,因此無需外部功率因數校正(PFC)元件。此外,還可在更高的切換頻率下運作,因此可採用更小尺寸的被動元件和濾波器。
FF1700XTR17IE5DBPSA1以半橋配置組合雙IGBT,採用PrimePACK 3+模組化封裝。其額定電壓為1700 V,最大集極電流為1700 A。圖六所示電路使用三個此類模組。
IGBT閘極驅動器(如1ED3124MU12HXUMA1)可開啟和關閉單一IGBT對。此閘極驅動器採用無芯變壓器技術進行電流隔離。與額定電壓為600至2300 V的IGBT相容,並在獨立的流入引腳和流出引腳上具有14 A的典型輸出電流。輸入邏輯引腳在3至15 V的寬廣輸入電壓範圍內運作,使用CMOS閾值位準支援3.3 V微控制器。
直流電源的功率轉換
使用直流電源(例如光伏能源和電池架構的混合系統)分離氫需要DC/DC轉換器。如上所述,這些轉換器可以提高二極體/閘流管整流器的效能。還可最佳化本地直流電網,達到廠房靈活性。
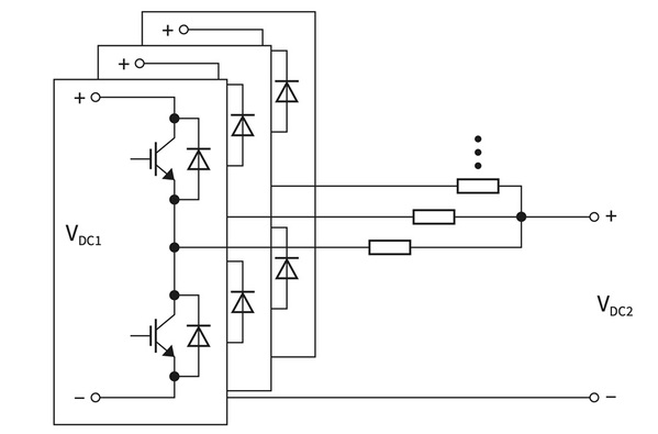
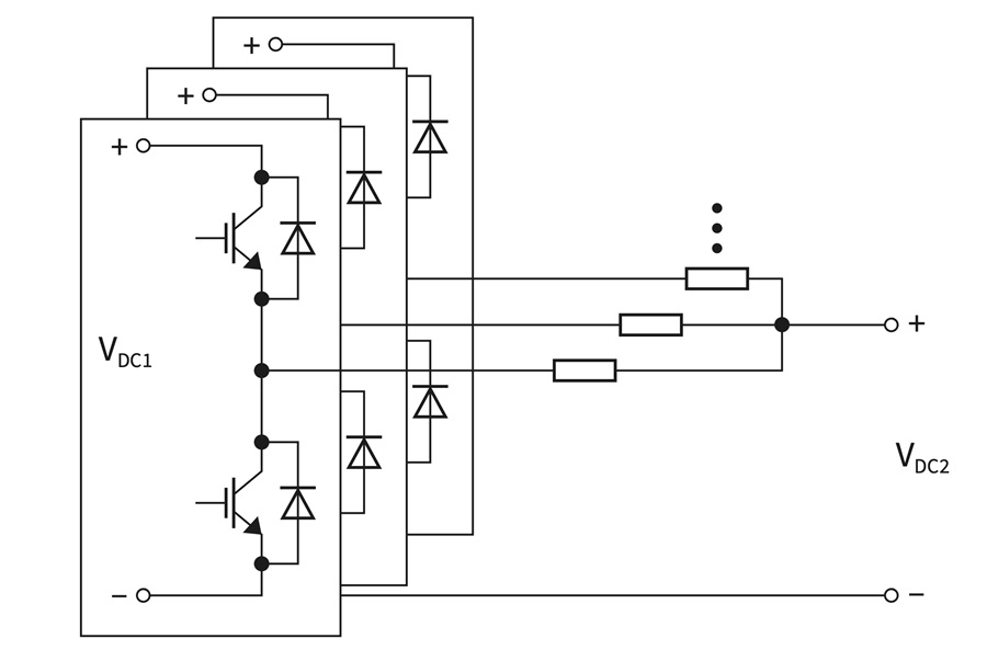
交錯式降壓轉換器使用並聯的半橋截波器模組,改變輸入至輸出的直流位準(圖七)。

| 圖七 : 交錯式降壓轉換器將輸入直流位準VDC1降低至輸出位準VDC2(source:Infineon Technologies) |
|
若採用適當的交錯控制,此DC/DC轉換器拓撲可大幅降低DC漣波,而無需增加電感的尺寸或切換頻率。每個階段都可以用適當的模組進行實作。FF800R12KE7HPSA1是一款半橋IGBT 62 mm模組,適用於降壓拓撲DC/DC轉換器。其額定最大電壓為1200 V,支援最大集極電流為800 A。
雙主動橋接器(DAB)轉換器是降壓轉換器的替代方案(圖八)。

| 圖八 : DAB轉換器執行降壓,並在輸入和輸出之間提供電流隔離。(source:Infineon Technologies) |
|
DAB轉換器使用高頻變壓器耦合輸入和輸出全橋電路,提供電流隔離。這種隔離通常有助於將電解池的電解槽和電極的腐蝕程度降至最低。相同的全橋電路由互補方波驅動。一次側和二次側之間驅動訊號的相位決定功率流動的方向。此外,DAB轉換器使用IGBT的零伏特切換,可將切換損耗降至最低。此電路可以使用半橋IGBT或碳化矽(SiC)MOSFET模組製造。
結論
隨著全球對潔淨能源的需求不斷增加,基於再生能源的綠氫分離的重要性亦提高。此類電源需要高效率、可靠且高度穩定的直流電源。設計人員可以選用各種高壓和電流半導體產品,取得必要的功率轉換組件。
(本文作者Barley Li為DigiKey Electronics亞太區技術內容部門應用工程經理)